Witam,
potrzebuję pomocy w wyznaczeniu współrzędnej \(\displaystyle{ x _{c} }\) środka ciężkości trójkąta, ponieważ w podręczniku jest napisane, że należy wyznaczyć analogicznie do \(\displaystyle{ y _{c} }\). Nie wydaje mi się jednak, żeby to było prawidłowe rozwiązanie.
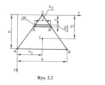
Rozwiązanie z książki:
Z podobieństwa trójkątów ABD i A'B'D można zapisać:
\(\displaystyle{ b _{(y)}= \frac{b}{h} \cdot y }\)
Elementarne pole można zatem obliczyć jako:
\(\displaystyle{ dA=b _{(y)}dy= \frac{b}{h}\cdot ydy}\)
Moment statyczny względem osi x obliczamy jako:
\(\displaystyle{ S_{x}= \int_{A}^{}ydA= \frac{b}{h}\cdot \int_{0}^{h}y ^{2}dy= \frac{bh ^{2}}{3} }\)
\(\displaystyle{ y _{c}=\frac{S _{x} }{A}= \frac{2}{3}\cdot h }\)
Rysunek do zadania
Gdyby to był trójkąt równoramienny to środek ciężkości znajdowałby się w połowie b, czyli osi symetri, a odpowiedziedź z książki to:
\(\displaystyle{ x _{c}= \frac{2}{3}\cdot b }\)
Środek ciężkości trójkąta
-
marej
- Użytkownik

- Posty: 58
- Rejestracja: 12 mar 2021, o 16:26
- Płeć: Mężczyzna
- Podziękował: 7 razy
- Pomógł: 1 raz
Środek ciężkości trójkąta
Ostatnio zmieniony 16 sty 2023, o 12:11 przez Jan Kraszewski, łącznie zmieniany 1 raz.
Powód: Nie linkujemy zdjęć, tylko załączamy jako załączniki.
Powód: Nie linkujemy zdjęć, tylko załączamy jako załączniki.
-
janusz47
- Użytkownik

- Posty: 8035
- Rejestracja: 18 mar 2009, o 16:24
- Płeć: Mężczyzna
- Podziękował: 30 razy
- Pomógł: 1707 razy
Re: Środek ciężkości trójkąta
\(\displaystyle{ x_{c}\cdot A = \int_{(A)} x dA = }\)
\(\displaystyle{ = \int_{0}^{b} \left[ \int_{0}^{\frac{b}{h}x} xdy \right]dx = \int_{0}^{b}[x y] \int_{0}^{y=\frac{b}{h}x} dx}\)
\(\displaystyle{ x_{c}\left(\frac{bh}{2} \right) = \int_{0}^{h}x\left(\frac{b}{h}x\right)dx = \frac{b}{h}\frac{x^3}{3} \mid_{0}^{h} = \frac{bh^2}{3}}\)
\(\displaystyle{ \rightarrow x_{c} = \frac{2}{3}h }\)
\(\displaystyle{ = \int_{0}^{b} \left[ \int_{0}^{\frac{b}{h}x} xdy \right]dx = \int_{0}^{b}[x y] \int_{0}^{y=\frac{b}{h}x} dx}\)
\(\displaystyle{ x_{c}\left(\frac{bh}{2} \right) = \int_{0}^{h}x\left(\frac{b}{h}x\right)dx = \frac{b}{h}\frac{x^3}{3} \mid_{0}^{h} = \frac{bh^2}{3}}\)
\(\displaystyle{ \rightarrow x_{c} = \frac{2}{3}h }\)
- siwymech
- Użytkownik

- Posty: 2463
- Rejestracja: 17 kwie 2012, o 14:18
- Płeć: Mężczyzna
- Lokalizacja: Nowy Targ
- Podziękował: 8 razy
- Pomógł: 616 razy
Re: Środek ciężkości trójkąta
1.Wysokość elementarnego pola
\(\displaystyle{ h _{(x)}= \frac{h}{b} \cdot x }\)
2.Pole elementarne
\(\displaystyle{ dA=h _{x} \cdot dx= \frac{h}{b} \cdot x \cdot dx}\)
3.Moment statyczny wzgl. osi y
\(\displaystyle{ S _{y} =x \cdot dA= \frac{h}{b} \int\limits_{0}^{b} x ^{2}dx= \frac{hb ^{2} }{3} }\)
4.Współrzędna środka ciężkości
\(\displaystyle{ x _{c}= \frac{S _{y} }{A} = \frac{{hb ^{2} }{}}{3} \cdot \frac{2}{bh} = \frac{2b}{3} }\)
\(\displaystyle{ h _{(x)}= \frac{h}{b} \cdot x }\)
2.Pole elementarne
\(\displaystyle{ dA=h _{x} \cdot dx= \frac{h}{b} \cdot x \cdot dx}\)
3.Moment statyczny wzgl. osi y
\(\displaystyle{ S _{y} =x \cdot dA= \frac{h}{b} \int\limits_{0}^{b} x ^{2}dx= \frac{hb ^{2} }{3} }\)
4.Współrzędna środka ciężkości
\(\displaystyle{ x _{c}= \frac{S _{y} }{A} = \frac{{hb ^{2} }{}}{3} \cdot \frac{2}{bh} = \frac{2b}{3} }\)
-
marej
- Użytkownik

- Posty: 58
- Rejestracja: 12 mar 2021, o 16:26
- Płeć: Mężczyzna
- Podziękował: 7 razy
- Pomógł: 1 raz
Re: Środek ciężkości trójkąta
Coś mi się to rozwiązanie nie podoba właśnie, bo w przypadku trójąta równoramiennego środek ciężkości będzie w połowie b(będzie leżał na osi symetrii) \(\displaystyle{ x _{c} = \frac{b}{2} }\)
-
a4karo
- Użytkownik

- Posty: 22459
- Rejestracja: 15 maja 2011, o 20:55
- Płeć: Mężczyzna
- Lokalizacja: Bydgoszcz
- Podziękował: 43 razy
- Pomógł: 3852 razy
Re: Środek ciężkości trójkąta
Skoro `x` się zmienia jak na rysunku od `0` do `h`, to całkowanie od `0` do `b` ma mało sensu
Wzorek na `h_x` też nie wygląda fajnie
Wzorek na `h_x` też nie wygląda fajnie
-
janusz47
- Użytkownik

- Posty: 8035
- Rejestracja: 18 mar 2009, o 16:24
- Płeć: Mężczyzna
- Podziękował: 30 razy
- Pomógł: 1707 razy
Re: Środek ciężkości trójkąta
Na zamieszczonym rysunku mamy element powierzcnaię \(\displaystyle{ dxdy }\) i nietrudno zauważyć, że środek ciężkości trójkąta liczony jest całką podwójną względem \(\displaystyle{ h }\) i \(\displaystyle{ b. }\)
- siwymech
- Użytkownik

- Posty: 2463
- Rejestracja: 17 kwie 2012, o 14:18
- Płeć: Mężczyzna
- Lokalizacja: Nowy Targ
- Podziękował: 8 razy
- Pomógł: 616 razy
Re: Środek ciężkości trójkąta
Proponuję taką metodykę rozwikłania tego samego problemu
1.Układamy stosunek boków i znajdujemy szerokość \(\displaystyle{ c }\) elementarnego pola \(\displaystyle{ dA}\).Patrz oznaczenia jak na rysunku.
\(\displaystyle{ \frac{c}{b}= \frac{h-y}{h} }\), stąd
\(\displaystyle{ c= \frac{b(h-y)}{h} }\)
2.Pole trójkąta \(\displaystyle{ A}\)
\(\displaystyle{ A= \frac{bh}{2} }\)
3. Moment statyczny wzgl osi x
\(\displaystyle{ S _{x} =\int\limits_{0}^{h}dA \cdot y=\int\limits_{0}^{h}c \cdot dy \cdot y=\int\limits_{0}^{h} \frac{b(h-y)}{h} dy \cdot y=\int\limits_{0}^{h}b \cdot dy \cdot y-\int\limits_{0}^{h} \frac{b}{h}y ^{2} \cdot dy= \frac{b}{2} h ^{2} - \frac{b}{3h} h ^{3} = \frac{bh ^{2} }{6} }\)
4. Wartość współrzędnej \(\displaystyle{ y _{o} }\) punktu S liczymy z wzoru
\(\displaystyle{ y _{o}= \frac{S _{x} }{A} = \frac{bh ^{2} }{6A} = \frac{bh ^{2} }{6} \frac{2}{bh}= \frac{1}{3} h }\)
Wniosek
Środek ciężkośći trójkąta leży w odległości \(\displaystyle{ \frac{1}{3}h }\) od podstawy. Ponieważ dowolny bok można obrać za podstawę, więc środek cieżkosći (na rys. punkt S) leży w \(\displaystyle{ \frac{1}{3} }\) odpowiedniej wysokości do każdej podstawy, czyli na przecięciu się środkowych boków trójkąta.
1.Układamy stosunek boków i znajdujemy szerokość \(\displaystyle{ c }\) elementarnego pola \(\displaystyle{ dA}\).Patrz oznaczenia jak na rysunku.
\(\displaystyle{ \frac{c}{b}= \frac{h-y}{h} }\), stąd
\(\displaystyle{ c= \frac{b(h-y)}{h} }\)
2.Pole trójkąta \(\displaystyle{ A}\)
\(\displaystyle{ A= \frac{bh}{2} }\)
3. Moment statyczny wzgl osi x
\(\displaystyle{ S _{x} =\int\limits_{0}^{h}dA \cdot y=\int\limits_{0}^{h}c \cdot dy \cdot y=\int\limits_{0}^{h} \frac{b(h-y)}{h} dy \cdot y=\int\limits_{0}^{h}b \cdot dy \cdot y-\int\limits_{0}^{h} \frac{b}{h}y ^{2} \cdot dy= \frac{b}{2} h ^{2} - \frac{b}{3h} h ^{3} = \frac{bh ^{2} }{6} }\)
4. Wartość współrzędnej \(\displaystyle{ y _{o} }\) punktu S liczymy z wzoru
\(\displaystyle{ y _{o}= \frac{S _{x} }{A} = \frac{bh ^{2} }{6A} = \frac{bh ^{2} }{6} \frac{2}{bh}= \frac{1}{3} h }\)
Wniosek
Środek ciężkośći trójkąta leży w odległości \(\displaystyle{ \frac{1}{3}h }\) od podstawy. Ponieważ dowolny bok można obrać za podstawę, więc środek cieżkosći (na rys. punkt S) leży w \(\displaystyle{ \frac{1}{3} }\) odpowiedniej wysokości do każdej podstawy, czyli na przecięciu się środkowych boków trójkąta.