[/url]
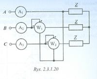
Bo policzyłem wartości ze wzorów na moce. Ale chciałbym wiedzieć o konkretny wzór, bo trochę dziwnie narysowany jest ten obwód i nie mogę dojść do tego jakie napięcia międzyfazowe trzeba wstawić do wzoru, żeby otrzymać ich wartości.
Chodzi o ten wzór:
\(\displaystyle{ P_{W}=Re[U_{MIEDZYFAZOWE} \cdot I_{PRAD \quad FAZOWY}]}\)
