Interpretacja układu wzmacniacza

uczen23
Użytkownik
Użytkownik
Posty: 52
Rejestracja: 8 paź 2016, o 12:18
Płeć: Mężczyzna
Lokalizacja: Warszawa
Podziękował: 9 razy

Interpretacja układu wzmacniacza

Post autor: uczen23 »

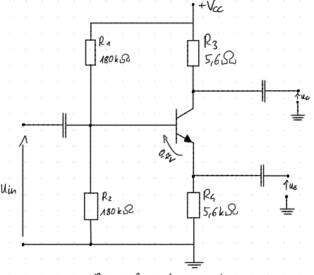
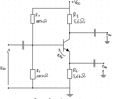
Kto by mógł mi wytłumaczyć dwie sprawy odnośnie tego układu:
Ukryta treść:    

Załóżmy że na wejście \(\displaystyle{ U_i_n}\) podajemy napięcie sinusoidalne.

1. Dlaczego na \(\displaystyle{ U_c}\) dostaniemy napięcie \(\displaystyle{ U_i_n}\) obrócone w fazie?
2. Dlaczego na \(\displaystyle{ U_E}\) dostaniemy takie samo napięcie jak na \(\displaystyle{ U_i_n}\)
Awatar użytkownika
mdd
Użytkownik
Użytkownik
Posty: 1877
Rejestracja: 14 kwie 2013, o 10:58
Płeć: Mężczyzna
Lokalizacja: Warszawa
Podziękował: 2 razy
Pomógł: 512 razy

Interpretacja układu wzmacniacza

Post autor: mdd »

Tego się nie da ot tak wytłumaczyć w dwóch zdaniach dla zupełnego laika. Co Ty właściwie studiujesz? Jakie podręczniki masz dotyczące podstaw elektroniki? Czy słyszałeś coś na temat analizy małosygnałowej i modelu małosygnałowego tranzystora?
uczen23
Użytkownik
Użytkownik
Posty: 52
Rejestracja: 8 paź 2016, o 12:18
Płeć: Mężczyzna
Lokalizacja: Warszawa
Podziękował: 9 razy

Re: Interpretacja układu wzmacniacza

Post autor: uczen23 »

Informatykę,

Książka
Ukryta treść:    
o tej analizie małosygnałowej nie słyszałem. Czy ten układ jest bardzo skomplikowany aby wytłumaczyć?
Awatar użytkownika
mdd
Użytkownik
Użytkownik
Posty: 1877
Rejestracja: 14 kwie 2013, o 10:58
Płeć: Mężczyzna
Lokalizacja: Warszawa
Podziękował: 2 razy
Pomógł: 512 razy

Interpretacja układu wzmacniacza

Post autor: mdd »

Powiem tak. Po łebkach da się jakoś wytłumaczyć. Ale żebyś potem umiał zastosować postępowanie analogiczne pozwalające na dokładną analizę wzmacniacza (wyznaczanie parametrów wzmacniacza: wzmocnienia, rezystancji wejściowej i wyjściowej) w przypadku innych układów, to nie ma szans!

Wiem jak tego typu podręczniki o elektronice/elektrotechnice dla nieelektryków/nieelektroników traktują temat, tzn. żeby coś zasygnalizować hasłowo zagdanienie i tyle. Nie wiem po co informatykowi wiedza na temat podstawowych układów wzmacniających, no ale informatykiem nie jestem.
AU
AU
Przechwytywanie.png (24.76 KiB) Przejrzano 473 razy
Spróbujmy tak: napisz równanie napięciowe dla obwodu kolektora wzmacniacza. Znajdź najprostszy model tranzystora jaki Ci się uda - i nie chodzi o mi tutaj o model małosygnałowy. Doczytałeś w przytoczonym podręczniku jakie zadanie spełniają kondensatory w układzie?
uczen23
Użytkownik
Użytkownik
Posty: 52
Rejestracja: 8 paź 2016, o 12:18
Płeć: Mężczyzna
Lokalizacja: Warszawa
Podziękował: 9 razy

Interpretacja układu wzmacniacza

Post autor: uczen23 »

Czy o to chodziło?

\(\displaystyle{ V_c_c=U_3+U_C_E+U_4}\)

a kondensatory są aby blokować składowe stałe?
Mondo
Użytkownik
Użytkownik
Posty: 490
Rejestracja: 11 sty 2011, o 19:54
Płeć: Mężczyzna
Podziękował: 261 razy
Pomógł: 7 razy

Interpretacja układu wzmacniacza

Post autor: Mondo »

uczen23 pisze:Czy o to chodziło?

\(\displaystyle{ V_c_c=U_3+U_C_E+U_4}\)

a kondensatory są aby blokować składowe stałe?
Jeśli przez \(\displaystyle{ U_3}\) rozumiesz napięcie na R3 to tak, równanie jest poprawne.
Kondensatory mają różne zastosowanie, jednym z nich jest faktycznie blokowanie DC. W przypadku bazy, kondensator "chroni" sygnał wejściowy przed zwarciem do \(\displaystyle{ Vcc}\), w przypadku emittera zmniejsza impedancję wyjściową wzmacniacza poprzez bypass R4.

Odpowiadając na twoje pytania:
uczen23 pisze: Dlaczego na U_c dostaniemy napięcie U_i_n obrócone w fazie?
Najprościej mówiąc, jeśli twój sygnał wejściowy jest w stanie wysokim to wyjście jest w niskim i odwrotnie.
uczen23 pisze: Dlaczego na U_E dostaniemy takie samo napięcie jak na U_i_n
No nie wydaje mi się, żeby było ono takie samo. \(\displaystyle{ U_E = U_b - 0.7}\)
Awatar użytkownika
mdd
Użytkownik
Użytkownik
Posty: 1877
Rejestracja: 14 kwie 2013, o 10:58
Płeć: Mężczyzna
Lokalizacja: Warszawa
Podziękował: 2 razy
Pomógł: 512 razy

Interpretacja układu wzmacniacza

Post autor: mdd »

Mondo pisze: w przypadku emittera zmniejsza impedancję wyjściową wzmacniacza poprzez bypass R4.
Czy widzisz żeby element \(\displaystyle{ R_4}\) był zbocznikowany przez jakiś kondensator? Bo ja nie.
Mondo pisze:
uczen23 pisze: Dlaczego na U_c dostaniemy napięcie U_i_n obrócone w fazie?
Najprościej mówiąc, jeśli twój sygnał wejściowy jest w stanie wysokim to wyjście jest w niskim i odwrotnie.
Mondo, czy serio uważasz, że to jest odpowiedź na pytanie?
Mondo pisze:
uczen23 pisze: Dlaczego na U_E dostaniemy takie samo napięcie jak na U_i_n
No nie wydaje mi się, żeby było ono takie samo. \(\displaystyle{ U_E = U_b - 0.7}\)
Oba stwierdzenia podane przez szanownego Autora tematu nie są prawdziwe. Chciałem jednak, żeby Autor sam do tego doszedł.

uczen23, co z modelem tranzystora?
Mondo
Użytkownik
Użytkownik
Posty: 490
Rejestracja: 11 sty 2011, o 19:54
Płeć: Mężczyzna
Podziękował: 261 razy
Pomógł: 7 razy

Interpretacja układu wzmacniacza

Post autor: Mondo »

mdd pisze:Czy widzisz żeby element R_4 był zbocznikowany przez jakiś kondensator? Bo ja nie.
Zgadza się, moje przeoczenie.
mdd pisze: Mondo, czy serio uważasz, że to jest odpowiedź na pytanie?
Nie ale, w uproszczonym przypadku, jesli pominiemy przesuniecia na kondensatorach, to dla sygnału kwadrat na wejsciu dostaniemy kwadrat na wyjscu przesyniety o 180 stopni. W rzeczywistosci bedziemy mieli przesunięcie wynikające z kondesnatorów bazy, oraz kolektora/emitera. Zgadza się?
uczen23
Użytkownik
Użytkownik
Posty: 52
Rejestracja: 8 paź 2016, o 12:18
Płeć: Mężczyzna
Lokalizacja: Warszawa
Podziękował: 9 razy

Re: Interpretacja układu wzmacniacza

Post autor: uczen23 »

Trochę zapomniałem o tym układnie, ale nadal nie bardzo rozumiem.
Widzę, że jednak jeszcze za mało umiem z elektrotechniki, aby zrozumieć działanie tego układu. Chciałbym tylko wiedzieć co będzie na wyjściu.

Czy na \(\displaystyle{ U_c}\) będzie odwrócone fazowo \(\displaystyle{ U_{in}}\), ale wzmocnione o \(\displaystyle{ k}\)(wzmocnienie wzmacniacza) , a na \(\displaystyle{ U_E}\) będzie w tej samej fazie \(\displaystyle{ U_{in}}\), ale pomniejszone o \(\displaystyle{ 0,7V}\)

?
Awatar użytkownika
mdd
Użytkownik
Użytkownik
Posty: 1877
Rejestracja: 14 kwie 2013, o 10:58
Płeć: Mężczyzna
Lokalizacja: Warszawa
Podziękował: 2 razy
Pomógł: 512 razy

Interpretacja układu wzmacniacza

Post autor: mdd »

Zastosuj model:

Poza tym, można sobie przeczytać te dwie prezentacje (to tak obok tematu):

Kod: Zaznacz cały

http://eletel.p.lodz.pl/kociolek/Dydaktyka/WE2012.pdf


[url=http://www.google.pl/url?sa=t&rct=j&q=&esrc=s&source=web&cd=2&cad=rja&uact=8&ved=0ahUKEwis4ZncierbAhXsApoKHR6gDMoQFggsMAE&url=http%3A%2F%2Fwww.plan-rozwoju.pcz.pl%2Fwyklady%2Fmechatronika%2FPodstawy_elektroniki_w.pdf&usg=AOvVaw0GSNpUu9KDZ37UY9FbcABF]Pomoc 2[/url]

[url]http://wazniak.mimuw.edu.pl/index.php?title=PEE_Modu%C5%82_13[/url]
uczen23
Użytkownik
Użytkownik
Posty: 52
Rejestracja: 8 paź 2016, o 12:18
Płeć: Mężczyzna
Lokalizacja: Warszawa
Podziękował: 9 razy

Re: Interpretacja układu wzmacniacza

Post autor: uczen23 »

ok już trochę rozumiem.
Teraz mam pytanko, czy wzmocnienie tego wzmacniacza to \(\displaystyle{ k= \frac{R_C}{R_E}}\)?
czyli w tym wypadku wzmocnienia nie ma?
buldozer
Użytkownik
Użytkownik
Posty: 32
Rejestracja: 21 cze 2018, o 00:00
Płeć: Mężczyzna
Lokalizacja: Warszawa
Podziękował: 4 razy

Re: Interpretacja układu wzmacniacza

Post autor: buldozer »

Mianownik masz dobry, ale tylko tyle.
Po pierwsze, to jest wspólny emiter, czyli na wyjściu sygnał będzie odwrócony.

Po drugie, wzmocnienie to \(\displaystyle{ k_{u0}=-g_mR_L=-\frac{I_C}{\varphi_T}\cdot R_C}\)
uczen23
Użytkownik
Użytkownik
Posty: 52
Rejestracja: 8 paź 2016, o 12:18
Płeć: Mężczyzna
Lokalizacja: Warszawa
Podziękował: 9 razy

Re: Interpretacja układu wzmacniacza

Post autor: uczen23 »

Znalazłem ten wzór \(\displaystyle{ k \approx \frac{R_C}{R_E}}\) w notatkach z elektrotechniki. Nie ma tam równości, ale przybliżenie. Zgadza się to?
buldozer
Użytkownik
Użytkownik
Posty: 32
Rejestracja: 21 cze 2018, o 00:00
Płeć: Mężczyzna
Lokalizacja: Warszawa
Podziękował: 4 razy

Re: Interpretacja układu wzmacniacza

Post autor: buldozer »

Jeżeli przez \(\displaystyle{ R_E}\) rozumiesz \(\displaystyle{ R_4}\), to absolutnie nie
AU
AU
Przechwytywanie.png (24.76 KiB) Przejrzano 473 razy
Awatar użytkownika
mdd
Użytkownik
Użytkownik
Posty: 1877
Rejestracja: 14 kwie 2013, o 10:58
Płeć: Mężczyzna
Lokalizacja: Warszawa
Podziękował: 2 razy
Pomógł: 512 razy

Interpretacja układu wzmacniacza

Post autor: mdd »

buldozer pisze:Po drugie, wzmocnienie to \(\displaystyle{ k_{u0}=-g_mR_L=-\frac{I_C}{\varphi_T}\cdot R_C}\)
Co to jest \(\displaystyle{ I_{C}}\)? "Mocno teoretyczny" ten wzór.

Układ ma parametry: \(\displaystyle{ R_1, R_2, R_3, R_4}\), tranzystor ma parametry: \(\displaystyle{ r_{be}, k_{f}, \beta, r_{ce}}\). Jednak zazwyczaj w książkach pomija się w analizie \(\displaystyle{ k_{f}, r_{ce}}\) (tzn. \(\displaystyle{ k_{f} \approx 0}\), \(\displaystyle{ r_{ce} \rightarrow \infty}\)).
Ukryta treść:    
Pojemności kondensatorów traktujemy jako bardzo duże, w związku z tym dla składowych zmiennych kondensatory stanowią zwarcie (w przybliżeniu) i nie mają zbyt dużego znaczenia.

Tylko te parametry powinien zawierać wzór na wzmocnienie. Czyż nie? Kto na ochotnika wyprowadzi pełny wzór?

Poza tym standardowy układ WE ma rezystor zbocznikowany kondensatorem w obwodzie emitera. Układ przytoczony nie ma takiego kondensatora. Rezystancja \(\displaystyle{ R_{4}}\) ma wpływ na wzmocnienie, a w przytoczonym przez Ciebie wzorze nie widzę \(\displaystyle{ R_{4}}\).
ODPOWIEDZ