Po pierwsze czy my tak naprawdę potrzebujemy napiecia na cewce? Wyznaczymy indukcyjność na podstwie wzoru:mdd pisze:Przy okazji: czy już opanowałeś pomiar napięcia na samej cewce?
\(\displaystyle{ L = \sqrt{\frac{(\frac{U}{I})^2 - (R+R_{l})^2}{(2\pi f)^2}}}\)
stosunek \(\displaystyle{ \frac{U}{I}}\) to inaczej impedancja szergowego polaczenia RL, ponieważ jej nie znamy to wyliczmamy ją z stosunku napięcia przyłożonego do zacisków dwójnika i prądu w obwodzie. Tak więc to napięcie na cewce nie jest nam az tak potrzbne bo jęsli monitorujemy napięci na rezystorze i powiedzmy jest ono o połowę mniejsze od napięcia zasilania to jednoczesnie wiemy, że napięcie na cewce jest takie samo - to w kontekście tego iż napięcia na obu elemntach powinny być w przybliżeniu równe. Aczkolwiek do samego wzoru napiecie cewki potrzebne nie jest. Zgadza się?
Kolejna sprawa to podbite napięcie zasilania poprzez cewkę. Ponieważ obwód zasilamy napięciem przemiennym to z natury cewki \(\displaystyle{ V = L \frac{di}{dt}}\) skutkuje to wzrostem napięcia na zasiskach dwójnika. Czy do powyższego równania na \(\displaystyle{ L}\) powinienem za \(\displaystyle{ U}\) wstawić napięcie wyjściowe z generatora czy to podobite przez cewke?
Idąc dalej, pojawia się temat impedancji wyjściowej samego generatora. Myślę, że w naszym przypadku wyjście powinno mieć usawtione max najmniejszą impedancję wyjściową i należało by ją także ująć w obliczeniach. Czyli jeśli impedancja wyjścia to 50 Ohm to w naszym równiu \(\displaystyle{ R+50}\). Czy tak?
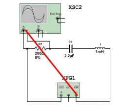
Na YouTube znalazłem także taki materiał który przedstawia jeden z sposobów wyznaczenia indukcyjności cewki:
Kod: Zaznacz cały
https://www.youtube.com/watch?v=Pv6zsQiBzXoautor wychodzi tam z zależnośći:
\(\displaystyle{ X_{L} = 2 \cdot \pi \cdot f \cdot L}\)
stąd:
\(\displaystyle{ L = \frac{X_{L}}{2 \cdot \pi \cdot f}}\)
I teraz idąc z czestotliwości do momentu w którym napięcia na cewce i rezystorze są równe znajduje czestoliwość przy której \(\displaystyle{ X_{L} = R}\). Te dwie wartości wstawia do wzoru i otrzymuje \(\displaystyle{ L}\). Pomijając fakt iż autor mierzy te napięcia dwoma miernikami do tego nie bierze pod uwage rezystancje własnej cewki to ta metoda wyjade się byc dobra. Zrobiłem wczoraj test i niestety nie dała dobrego wyniku
I ostatni temat to generator funkcyjny z którego korzystam. Jest to generator nowego typu (siglent-sdg1032x) natomiast wczoraj zasiał we mnie ziarno niepewności co do poprawności działania. Ustawiłem aplitude wyjściową Vpp = 1 a na oscyloskopie widzę po pewnym czasie ponad 2Vpp oO. Do tego kilkukronie zauważylem wzrost napięcia wraz z wzrsotem czestoliwości. Być może jest to związane z sposobem połączenia całości - przewody na zasikach + płytka pototypowa. W każdym razie przyjrzę się sytuacji bo jeśli to generator nas "oszukuje" to w zyciu nie dojdziemy do zadnej konkluzji.
Dziekuję za pomoc

