Jak działa ten układ?

uczen23
Użytkownik
Użytkownik
Posty: 52
Rejestracja: 8 paź 2016, o 12:18
Płeć: Mężczyzna
Lokalizacja: Warszawa
Podziękował: 9 razy

Jak działa ten układ?

Post autor: uczen23 »

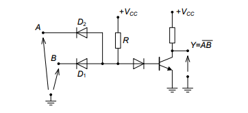
Omów działanie pokazanej niżej bramki NAND w technologii DTL (ang. Diode-Transistor
Logic), czyli logice diodowo-tranzystorowej.
Ukryta treść:    
Nie wiem za bardzo jak działa ten układ. Diody są tu w kierunku zaporowym, więc wejścia A i B nie mają znaczenia?
Awatar użytkownika
mdd
Użytkownik
Użytkownik
Posty: 1877
Rejestracja: 14 kwie 2013, o 10:58
Płeć: Mężczyzna
Lokalizacja: Warszawa
Podziękował: 2 razy
Pomógł: 512 razy

Jak działa ten układ?

Post autor: mdd »

uczen23 pisze:Diody są tu w kierunku zaporowym, więc wejścia A i B nie mają znaczenia?
Diody D1, D2 będą spolaryzowane w kierunku zaporowym, wtedy gdy podamy odpowiednio wysokie napięcia na zaciski A i B względem punktu masy układu. Czy prąd bazy tranzystora będzie wtedy zerowy? Ile będzie wynosił tak "pi razy drzwi"?

Kiedy którekolwiek z napięć punktów A i B będzie zerowe, co oznacza, że punkt A lub B jest "niemal" podłączony do masy, wtedy praktycznie napięcie baza-emiter tranzystora jest zerowe. Co z tego wynika?
uczen23
Użytkownik
Użytkownik
Posty: 52
Rejestracja: 8 paź 2016, o 12:18
Płeć: Mężczyzna
Lokalizacja: Warszawa
Podziękował: 9 razy

Jak działa ten układ?

Post autor: uczen23 »

Kiedy którekolwiek z napięć punktów A i B będzie zerowe, co oznacza, że punkt A lub B jest "niemal" podłączony do masy, wtedy praktycznie napięcie baza-emiter tranzystora jest zerowe. Co z tego wynika?
Wtedy tranzystor pracuje w trybie odcięcia, czyli prąd nie płynie przez tranzystor, co za tym idzie żaden prąd nie płynie przez rezystor nad tranzystorem, czyli napięcie na rezystorze jest równe \(\displaystyle{ 0}\). Zatem napięcie \(\displaystyle{ V_c_c}\) odkłada się na tranzystorze, czyli \(\displaystyle{ Y=V_c_c}\).
Diody D1, D2 będą spolaryzowane w kierunku zaporowym, wtedy gdy podamy odpowiednio wysokie napięcia na zaciski A i B względem punktu masy układu. Czy prąd bazy tranzystora będzie wtedy zerowy? Ile będzie wynosił tak "pi razy drzwi"?
Nie rozumiem trochę tego. Przecież nieważne jak duże napięcie, gdy diody są w kierunku zaporowym to całe napięcie na nich się "odkłada", chyba że dojdziemy do napięcia przebicia, ale nie są to diody Zenera, więc najpewniej się uszkodzą.


EDIT:

Nie wiem czy to poprawnie, ale jeśli na zaciski A i B damy duże napięcie, większe niż \(\displaystyle{ V_c_c}\) to prąd popłynie w stronę tranzystora, bo \(\displaystyle{ V_c_c}\) nie "przepchnie" napięcia na wejściach.
Awatar użytkownika
mdd
Użytkownik
Użytkownik
Posty: 1877
Rejestracja: 14 kwie 2013, o 10:58
Płeć: Mężczyzna
Lokalizacja: Warszawa
Podziękował: 2 razy
Pomógł: 512 razy

Jak działa ten układ?

Post autor: mdd »

uczen23 pisze:Wtedy tranzystor pracuje w trybie odcięcia, czyli prąd nie płynie przez tranzystor, co za tym idzie żaden prąd nie płynie przez rezystor nad tranzystorem, czyli napięcie na rezystorze jest równe \(\displaystyle{ 0}\). Zatem napięcie \(\displaystyle{ V_c_c}\) odkłada się na tranzystorze, czyli \(\displaystyle{ Y=V_c_c}\).
Trochę język trzeba zmienić:
"rezystor nad tranzystorem" = rezystor w obwodzie kolektora (oczywiście najlepiej jeśli element jest oznaczony symbolem na schemacie, wtedy możemy się tym symbolem posługiwać);
\(\displaystyle{ U_{CE}=V_{cc}}\), bo zmienna \(\displaystyle{ Y}\) jest zmienną logiczną;
"napięcie odkłada się" - to też bym weliminował - inaczej można to sformułować, ale różnie ludzie mówią/piszą!
uczen23 pisze:
Diody D1, D2 będą spolaryzowane w kierunku zaporowym, wtedy gdy podamy odpowiednio wysokie napięcia na zaciski A i B względem punktu masy układu. Czy prąd bazy tranzystora będzie wtedy zerowy? Ile będzie wynosił tak "pi razy drzwi"?
Nie rozumiem trochę tego. Przecież nieważne jak duże napięcie, gdy diody są w kierunku zaporowym to całe napięcie na nich się "odkłada"
Jakie "całe"?
uczen23 pisze:Nie wiem czy to poprawnie, ale jeśli na zaciski A i B damy duże napięcie, większe niż \(\displaystyle{ V_c_c}\) to prąd popłynie w stronę tranzystora, bo \(\displaystyle{ V_c_c}\) nie "przepchnie" napięcia na wejściach.
Trochę za dużo poezji i ciężko to zrozumieć.
AU
AU
Przechwytywanie.png (7.44 KiB) Przejrzano 253 razy
Dla obwodu wejściowego bramki logicznej możemy napisać trzy równania napięciowe:
\(\displaystyle{ V_{cc}-R \left( I_A+I_B+I_T\right)-U_{DA}=U_A\\
V_{cc}-R \left( I_A+I_B+I_T\right)-U_{DB}=U_B\\
V_{cc}-R \left( I_A+I_B+I_T\right)-U_{D}=U_{BE}}\)


(nie trzymam się indeksów na schemacie, bo nie są one zbyt logiczne!, symbolem \(\displaystyle{ I_T}\) oznaczyłem prąd bazy tranzystora; symbolem \(\displaystyle{ U_D}\) oznaczyłem napięcie diody przyłączonej bezpośrednio do bazy tranzystora; symbolem \(\displaystyle{ U_{BE}}\) oznaczyłem napięcie baza-emiter tranzystora; wejściowe prądy bramki \(\displaystyle{ I_A, I_B}\) strzałkuję w kierunku masy, prąd \(\displaystyle{ I_T}\) strzałkuję w kierunku bazy trazystora - nie chce mi się "smarować" strzałek).

Piszemy jeszcze jedno równanie napięciowe w obwodzie wyjściowym bramki, czyli w obwodzie kolektor-emiter tranzystora:

\(\displaystyle{ V_{cc}=R_C I_C+U_{CE}}\)

...i koniec filozofii - tylko jeszcze od czasu do czasu zerkamy na charakterystyki statyczne tranzystora i diody.

Kiedy diody w obwodzie wejściowym bramki przestaną przewodzić prąd? Dla jakich napięć \(\displaystyle{ U_A, U_B}\)?-- 10 cze 2018, o 23:12 --Może się przydać: (co prawda jest tam bardzo uproszczona analiza, ale może na początek wystarczy)
uczen23
Użytkownik
Użytkownik
Posty: 52
Rejestracja: 8 paź 2016, o 12:18
Płeć: Mężczyzna
Lokalizacja: Warszawa
Podziękował: 9 razy

Re: Jak działa ten układ?

Post autor: uczen23 »

dla \(\displaystyle{ U_a,U_B>V_c_c}\)?
Awatar użytkownika
mdd
Użytkownik
Użytkownik
Posty: 1877
Rejestracja: 14 kwie 2013, o 10:58
Płeć: Mężczyzna
Lokalizacja: Warszawa
Podziękował: 2 razy
Pomógł: 512 razy

Jak działa ten układ?

Post autor: mdd »

Co mówi charakterystyka statyczna diody? Zakładamy dla uproszczenia, że przy polaryzacji wstecznej prąd diody jest zerowy.
ODPOWIEDZ